产品名称

微机控制电液伺服万能试验机WAW-300B(双动力机构 伺服电机齿轮泵)

产品用途

本机是测试各种材料及其制品物理性能、机械性能、工艺性能、结构性能及内外缺陷的重要仪器设备。可实现对金属或非金属材料的拉伸、压缩、弯曲、剪切等类型的试验,可自动求取所测材料的抗拉强度、屈服强度、规定非比例延伸强度、弹性模量等性能指标,可完成等速率加荷、等速率变形、等速率位移、等速率应变等闭环控制。

本机测试精准,功能强大,操作方便,稳定可靠。广泛适用于大学、科研院所、检测机构、航空航天、军工、冶金、机械制造、交通建设、建工建材等行业进行精密性的材料研究、材料分析、材料开发和质量控制。可以进行材料或产品的工艺合格性能验证试验。


实物实拍图片
技术创新

全新一代——2023款试验机是我公司根据试验机发展趋势和市场需求研制的一款全新液压万能试验机,在产品研制和开发方面进行了以下产品升级和产品创新:

双动力机构 伺服电机齿轮泵。双电机双油泵,齿轮油泵增压。夹紧器和油缸分体供油稳定可靠。(传统三相异步电机为夹紧器供油,伺服电机为油缸供油,超静音,噪音小于70分贝。加载更稳定,更迅速。试样夹持更可靠,更持久耐用)

全新外置独立控制器---增加独立外部手动控制单元为试验机的测量、控制和操作提供了全新的解决方案,USB数据传输全面支持笔记本计算机、平板计算机、台式计算机;是引领试验机技术发展的一个重要部分;

稳定性更高,刚性更强,耐用性更好。

多功能手持控制器---可控制移动横梁及油缸的上升与下降,钳口的夹紧与松开,同时具有油泵紧急停止功能,使用试样装夹更加方便;

设备运行监控系统---具有相序、缺相自检指示功能,电气过流、过载等保护功能,使设备运行安全可靠;

主机上下钳口座采用楔形夹紧方式---试样夹持更平稳、试样断裂对中性更好;

丝杠下部设置弹性减震机构---有效减少因试样断裂引起的冲击,降低噪音;

丝杠外增加柔性防尘罩---避免异物进入,增加了丝杠及传动机构的耐用度,提高了整机美观度;

安全防护罩---三面式冷轧钢板冲孔式安全防护罩,防止试验过程中异物飞出,在提高防护等级的同时方便操作人员实时观察,有效保障实验员人身安全。

伺服泵站采用插装阀式压差随动技术---节能环保、安全可靠,减少系统发热;同时夹持力随试验力增大而增加,试样夹持牢靠。

电气测控部分

(一)外置独立控制器

外置独立控制器是我公司历时多年研发的——新一代静态试验机专用控制器;集测量、控制、传输功能于一体,对信号采集、信号放大、数据传输、伺服阀驱动单元进行了高度集成,并增加外部手动控制单元为试验机的测量、控制和操作提供了全新的解决方案,USB数据传输全面支持笔记本计算机、平板计算机、台式计算机;是引领试验机技术发展的一个重要部分。


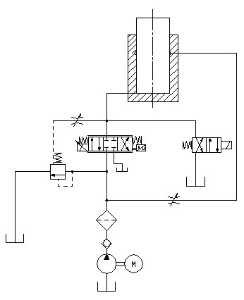
机械结构图

液压原理图

(二)万能试验机测控软件

万能试验机测控软件采用DSP技术及神经元自适应控制算法,实现等速率试验力、等速率油缸位移、等速率应变等多种闭环控制模式,控制方式可任意组合、平滑切换具有网络接口,可实现数据联网和远程控制功能。

(三)设备运行监控系统

设备运行监控系统是我公司对、原有强电电路进行了颠覆式的改进,增加了相序、缺相自检指示功能,电气过流、过载等保护功能,使设备运行安全可靠。

(四)外部手持控制盒

可控制移动横梁及油缸的上升与下降,钳口的夹紧与松开,同时具有设备紧急停止功能,使试样装夹更加方便,操作更加简单。

(五)压力监控仪表

实时显示伺服油源的压差启动压力、系统压力、夹紧压力,为设备的正常运行保驾护航。

适用标准
  • GB/T 2611-2007《试验机通用技术要求》;
  • JB/T 7406.1-1994《试验机术语材料试验机》;
  • GB/T 16826-2008《电液伺服万能试验机》;
  • GB/T 16825.1-2008《静力单轴试验机的检验 第1部分:拉力和(或)压力试验机测力系统的检验与校准》;
  • GB/T 22066-2008《静力单轴试验机计算机数据采集系统的评定》;
  • JJG 139-2014《拉力、压力和万能材料试验机》;
  • JB/T 6146-2007《引伸计技术条件》;
  • JB/T 6147-2007《试验机包装、包装标志、储运技术要求》;
  • GB/T 228.1-2010《金属材料 拉伸试验 第1部分:室温试验方法》;
  • GB/T 7314-2017《金属材料室温压缩试验方法》;
  • GB/T 232-2010《金属材料弯曲试验方法》;
  • ASTM A370钢制品力学性能试验的标准试验方法和定义。
伺服油源参数
  • 主系统系统压力(Mpa):25;
  • 油泵最大流量(L/min):4;
  • 滤油器滤油精度(μm):10;
  • 主油泵电机功率(kW):2.2;
  • 操作台面材质及颜色:实心理化板,黑色;
  • 油箱容积(L):70。
  • 双电机双油泵,齿轮油泵增压。夹紧器和油缸分体供油稳定可靠。(传统三相异步电机为夹紧器供油,伺服电机为油缸供油,超静音,噪音小于60分贝。加载更稳定,更迅速。试样夹持更可靠,更持久耐用)
标准伺服泵控制油源
附具参数
  • 夹紧方式:内置楔型液压自动夹紧;
  • 圆试样夹持范围(mm):Φ6-Φ13Φ13-Φ26Φ26-Φ40;选配2付
  • 板试样夹持厚度(mm):0-15,15-30;选配1付
  • 板试样最大夹持宽度(mm):80;
  • 上下压板尺寸(mm):204*204。
整机参数
  • 主机外形尺寸(mm):900*710*2300
  • 油源外形尺寸(mm):1100*750*1000;
  • 整机重量(kg):约2600;
  • 总功率(kW):2.75;
  • 电源:三相五线制,380V/50Hz或220V/60Hz。
设备清单
主机部分
项 目数量材质
设备底座1件QT500-7,金属模精密铸造
活塞1件优质结构钢高频淬火
工作台1件Q235-A加厚板精加工
移动横梁1件金属模铸造,数控精密加工,材质QT550-5
上横梁1件金属模铸造,数控精密加工,材质QT550-5
立柱4根高性能优质碳素结构钢精密制作,表面镀鉻
丝杠2根T型,高性能优质碳素结构钢精密磨制
拉伸螺母2只QT500-7球墨铸铁,强度高,耐磨
减速电机1套齿轮减速三相异步电动机(装在底座上)
三面全封闭防护罩1套冷轧钢板加工成型,全喷塑处理安全耐用
伺服油源部分
项目数量备注
主油泵1台意大利“MARZOCCHI”齿轮泵
动力电机1台伺服电机+三相异步电机
电液伺服阀1件伺服阀
电磁换向阀3件液压,24V
插装式顺序阀1件 
插装式减压阀1件 
插装式溢流阀1件 
压力监控仪表2件上海仪表
滤油器1个ZU-H10×20
高压油管5根耐高压油管
伺服油源柜1台全喷塑,操作台为黑色实心理化板
液压油油箱1只容量:70升
测控电气部分
项 目数量备注
外置独立控制器1套自产
外部手动控制单元1套自产
万能试验机测控软件1套自产
设备运行监控系统1套自产
外部手持控制盒1套自产
负荷传感器1只高精度传感器
位移传感器1只高精度位移
电子引伸计1支选配
计算机/打印机各1台HP台式机
测试附具部分
项目数量备注
液压夹持装置2套上下横梁内置各1套
钳口卡板1副共4块
螺纹钢V型钳口2付每付4块,Φ13-Φ26mm,Φ26-Φ40mm
板式平钳口1付每付4块,0-15mm,(15-30mm选配)
压缩附具1套204*204mm,下压板带可调节球面副
弯曲辅具(选配)1套压辊/支棍直径(mm):Φ30
支辊最大宽度(mm):160
随机资料
项目WAW-1000D
装箱清单1份
合格证书/保修卡1份
主机使用说明书1份
软件使用说明书1份
服务与保障

(一)售后服务

公司设有专门的客户服务部和服务热线,随时接受用户的咨询和投诉;

公司对产品提供一年质保和终生维修服务;会不定期电话回访或走访客户,了解产品使用和运行情况,并指导对设备进行维护和保养;

随时可同我公司技术人员交流,答疑解惑、解决用户的产品故障及疑难问题;

我方提供完整的操作使用手册、设备操作视频、设备保养维护视频等相关资料。

(二)使用与维护

操作人员必须认真阅读主机说明书,软件说明书和试验标准;要按照操作流程,正确方法操作;

每天试验时,要启动设备后预热10分钟,特别在冬季温度较低时;试验结束后,要按照正确顺序关机,并切断所有电源;

操作人员要每天清理残留在钳口夹持面和钳口座上的铁渣,以免影响设备耐用度;试样拉断后的振动可能会使钳口部分的紧固件退松,需要定期进行检查,以避免由于紧固件松动造成大的损失;

丝杠及传动部分要定期涂润滑油,防止产生干摩擦对传动系统造成损伤;

如自制试验辅助工装,安装时不得改变、损害产品原主体构造;

如果在工作时出现异常情况,应立即切断电源,使试验机停止运转。

安装要求及地基

人员准备:安排对计算机熟练使用的操作人员,有计量操作员证的人员更便于掌握;

物品准备:设备油源最近的墙面安装好三相五线制空气开关;HM46号抗磨液压油70升;

地基制作:设备规划安装位置时应充分考虑保养和检修的便利性;建议设备后及左右三面预留距障碍物500-800mm的空间;设备正前方需保持不小于2000mm操作空间;安装位置原混凝土基础厚度为150mm以上时,可用水钻按地基图尺寸钻孔;基础厚度小于150mm请安按图施工;

设备就位:新建地基凝固7天以上即可正常使用,主机就位后把水平仪放置到工作台上调整主机水平,调平后对四个地脚螺钉孔用水泥砂浆进行浇固。待地脚螺钉孔的水泥凝固后,才可以拧紧地脚螺母。

主机参数
最大试验力(kN)1000 
试验力测量范围2%-100%全程不分档,等效4档
试验力示值相对误差< 示值的±1% 
试验力分辨力最大载荷1/300000 
变形示值相对误差< 示值的±1% 
变形分辨力最大变形量1/300000 
最大拉伸试验空间(mm)750 
压缩空间(mm)600 
活塞行程(mm)200 
立柱间距(mm)585 
圆试样夹持范围(mm)Φ6-Φ40 
扁试样夹持厚度(mm)0-30 
扁试样最大夹持宽度(mm)75 
压盘尺寸(mm)204*204mm 
弯曲支点两点间最大距离(mm)300 
弯曲支滚宽度(mm)140 
夹紧方式液压夹紧 
主机外形尺寸(mm)900*710*2300 
油源控制台尺寸(mm)1100*750*1000 
电机总功率(kW)2 
总重量(kg)2850
测量参数
试验机主机四立柱、两丝杠、油缸下置式
试验机主机带液压夹头
1台
压力传感器镇海传感器(油缸采用研磨油缸,铸钢式上下横梁,工作台,底座、升降电机)1只
控制油源自主生产
伺服电机,齿轮泵加载
三相异步电机控制液压夹具
一体化集成油源。即:工控机、电脑、液晶显示器、温控系统等集成为一体油源
1台
软件测控系统巍盛测控
可实现力、变形、位移三闭环控制,并在实验过程中实现无冲击切换
数字化全闭环测量及控制系统
电液伺服闭环控制,控制模式可平滑切换;
1套
电器控制系统自主生产1套
计算机惠普商用品牌电脑1台
打印机惠普喷墨式打印机1台
圆试样拉伸辅具Φ13-Φ26、Φ26-Φ40各1套
扁试样拉伸辅具0-15mm1套
压缩辅具204*2041套
说明书\合格证\装箱单-----------1套
位移传感器内密控光电编码器1套
电子引伸计标距50mm,变形10mm选配
弯曲附具 选配

联系我们Contact

胶粘事业部

华南负责人:詹红兵15118409165

华东负责人:张振13073353892

家具·箱包·塑料·包装事业部

华南负责人:蔡婷婷13929477992

华东负责人:陈涛13790278052

邮箱:kejian@kejian-tech.com


  • 东莞
  • 昆山
  • 厦门
  • 重庆

胶粘事业部

华南负责人:詹红兵15118409165

华东负责人:张振13073353892

家具·箱包·塑料·包装事业部

华南负责人:蔡婷婷13929477992

华东负责人:陈涛13790278052

邮箱:kejian@kejian-tech.com


友链申请QQ:1195621916(添加好友请备注好需求)
粤ICP备09092845号  版权所有  伟德国际体育网址  [网站地图]  BETVLCTOR伟德在线登录平台   [百度统计]
Baidu
BETVLCTOR伟德在线登录平台